Master Bearings

DGBB | SABB | ACBB | CRB | SRB | CARB | TRB| TBB | CRTB/NRTB| SRTB | Y-BEARING | HOUSING | SLEEVES| PLAIN | NRB
Radial shaft | Mechanical | V-ring| Axial clamp| Wear sleeves| Other
Roller Chains | Couplings | Pulley | Optibelt
Linear Motion System | Sensorized Units
RS | Online | Aptitude

Bearings

Page: 1 2 3 4 5

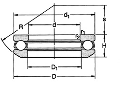
ตลับลูกปืนกันรุนเม็ดกลม รับแรงทิศทางเดียว พร้อมแหวนรองตัวเสื้อผิวโค้ง

THRUST BALL BEARINGS-SINGLE DIRECTION WITH SPHERED HOUSING WASHER

รหัสสินค้า
ขนาด
รหัสสินค้า
ขนาด
 
d
D
H
 
d
D
H
532XX
53220
100 150 40.9
53201
12 28 11.4
53222
110 160 40.2
53202
15 32 13.3
533XX
53203
17 35 13.2
53306
30 60 22.6
53204
20 40 14.7
53307
35 68 25.6
53205
25 47 16.7
53308
40 78 28.5
53206
30 52 17.8
53309
45 85 30.1
53207
35 62 19.9
53310
50 95 34.4
53208
40 68 20.3
53311
55 105 39.3
53209
45 73 21.3
53312
60 110 38.3
53210
50 78 23.5
53313
65 115 39.4
53211
55 90 27.3
53314
70 125 44.2
53212
60 95 28
53315
75 135 48.1
53213
65 100 28.7
53316
80 140 47.6
53214
70 105 28.8
53317
85 150 53.1
53215
75 110 28.4
53318
90 155 54.6
53216
80 115 29.5
53320
100 170 59.2
53217
85 125 33.1
53322
110 190 67.2
53218
90 135 38.5
53324
120 210 74.1

 

Page: 1 2 3 4 5