Master Bearings

DGBB | SABB | ACBB | CRB | SRB | CARB | TRB| TBB | CRTB/NRTB| SRTB | Y-BEARING | HOUSING | SLEEVES| PLAIN | NRB
Radial shaft | Mechanical | V-ring| Axial clamp| Wear sleeves| Other
Roller Chains | Couplings | Pulley | Optibelt
Linear Motion System | Sensorized Units
RS | Online | Aptitude

Bearings

Page: 1 2 3 4 5 6

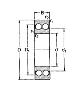
ตลับลูกปืนเม็ดกลมร่องลึก สองแถว

DOUBLE ROW DEEP GROOVE BALL BEARINGS

รหัสสินค้า
ขนาด
รหัสสินค้า
ขนาด
 
d
D
B
 
d
D
B
42XX ATN9
43XX ATN9
4200 ATN9
10 30 14
4301 ATN9
12 37 17
4201 ATN9
12 32 14
4302 ATN9
15 42 17
4202 ATN9
15 35 14
4303 ATN9
17 47 19
4203 ATN9
17 40 16
4304 ATN9
20 52 21
4204 ATN9
20 47 18
4305 ATN9
25 62 24
4205 ATN9
25 52 18
4306 ATN9
30 72 27
4206 ATN9
30 62 20
4307 ATN9
35 80 31
4207 ATN9
35 72 23
4308 ATN9
40 90 33
4208 ATN9
40 80 23
4309 ATN9
45 100 36
4209 ATN9
45 85 23
4310 ATN9
50 110 40
4210 ATN9
50 90 23
4311 ATN9
55 120 43
4211 ATN9
55 100 25
4312 ATN9
60 130 46
4212 ATN9
60 110 28
4314 ATN9
70 150 51
4213 ATN9
65 120 31        
4214 ATN9
70 125 31        
4215 ATN9
75 130 31        
4216 ATN9
80 140 33        
4217 ATN9
85 150 36        
4218 ATN9
90 160 40        

 

Page: 1 2 3 4 5 6